
ال STM8S103F3P6 هو متحكم 8 بت تم تصنيعه بواسطة stmicroelectronics ، يشتهر بوظائفه المثيرة للإعجاب وتكاملها السلس.تم تجهيز هذا الجهاز المدمج بأسلوب تثبيت جهاز مثبت على السطح (SMD) ، مما يجسد نواة متقدمة وأجهزة طرفية يتم تصنيعها بدقة باستخدام تقنية متطورة.مع تردد الساعة 16 ميغاهيرتز ، يضم STM8S103F3P6 قدرة I/O قوية ، مما يضمن معالجة البيانات والتعامل معها الفعالة.يضمن مؤقتها المستقل المستقل ، المجهز بنظام أمان على مدار الساعة المستقلة ، أداء الجهاز الأمثل والمرونة مقابل الاضطرابات المحتملة.
إحدى ميزاتها البارزة هي ذاكرة الفلاش الخاصة بها ، والتي توفر تخزينًا غير متطاير للرمز والبيانات.مع نطاق الجهد التشغيلي الذي يمتد من 2.95 فولت إلى 5.5 فولت ، فإن هذا متحكم متعدد الاستخدامات وقابل للتكيف مع مختلف التطبيقات.بالإضافة إلى ذلك ، فإنه يوفر مدى درجة حرارة تشغيل واسعة من -40 درجة مئوية إلى 85 درجة مئوية ، مما يجعله مناسبًا للنشر في الظروف البيئية المتنوعة.
• MSP430G2353
• PIC16LF18444T
• STM8S103F3P3
• STM8S103F3P3TR
• STM8S103F3P6TR


استهلاك الطاقة المنخفضة: يحتوي على مجموعة متنوعة من أوضاع استهلاك الطاقة المنخفضة للاختيار من بينها ، بما في ذلك وضع الخمول ، ووضع النوم ، ووضع السكون العميق ووضع الإيقاف ، والذي يمكن أن يمتد بشكل فعال عمر البطارية ويوفر الطاقة.
الأداء العالي: يعتمد بنية Core Core عالية الأداء ، والتي تسمح لتردد التشغيل إلى ارتفاع 16 ميجا هرتز ، مما يحسن بشكل كبير من سرعة تنفيذ التعليمات ويوفر قدرات حوسبة أكثر كفاءة لتطبيقاتنا.
واجهات اتصال متعددة: يدعم مجموعة متنوعة من واجهات الاتصال بما في ذلك SPI (الواجهة المحيطية التسلسلية) ، I2C و UART.من خلال هذه الواجهات ، يمكنه بسهولة التواصل والتفاعل مع الأجهزة الخارجية لتحقيق المزيد من الوظائف والتطبيقات.
الأجهزة الطرفية الوفيرة: يحتوي متحكم STM8S103F3P6 على موارد محيطية وفيرة ، بما في ذلك 16 كيلو بايت من ذاكرة الفلاش و 1 كيلو بايت من ذاكرة ذاكرة الوصول العشوائي ، بالإضافة إلى واجهات شائعة الاستخدام مثل دبابيس GPIO ، وتوقيتات ، و UART.إن تنوع هذه الأجهزة الطرفية يجعل الجهاز مناسبًا لسيناريوهات التطبيق المختلفة ويمكن أن يلبي احتياجات مختلف المجالات والصناعات.سواء كان التحكم الصناعي أو المنزل الذكي أو الأنظمة المضمنة ، يمكن أن توفر STM8S103F3P6 الدعم.

يتم تعبئة STM8S103F3P6 في حزمة مخطط تفصيلي صغير رفيع (TSSOP) ولديها 20 دبابيس.تباعد الجسم والرصاص أصغر من حزم الصويا القياسية.تتمثل الميزة النموذجية لـ TSSOP في تكوين دبابيس حول الرقاقة المعبأة ، مما يجعلها مناسبة لتركيب الأسلاك على مركبات ثنائي الفينيل متعدد الكلور باستخدام تقنية SMT.عند استخدام حزمة TSSOP ، تكون المعلمات الطفيلية (اضطراب جهد الخرج الناجم عن تغييرات كبيرة في التيار) أصغر ، لذلك فهي مناسبة للتطبيقات عالية التردد.هذا النوع من الحزمة أكثر ملاءمة للعمل ولديه موثوقية أعلى.
تحتوي حزمة TSSOP على الميزات التالية:
• تباعد دبوس صغير: تباعد الدبوس عمومًا 0.5 مم أو 0.65 مم.من خلال تصميم قضبان النحاس لوحة الدوائر ، يمكن وضع المزيد من الأجهزة على لوحة الدوائر بنفس المنطقة والحجم.
• نطاق واسع للتطبيق: يمكن تطبيقه على مختلف حقول التطبيقات مثل متحكمها ، و DSPs ، ورقائق الذاكرة ، ورقائق تزويد الطاقة.
• عدد الدبوس المرتفع: يبلغ عدد المسامير عمومًا حوالي 20 إلى 64 ، والتي يمكن أن تلبي بعض متطلبات تكامل الرقائق.
• حجم الحزمة الصغيرة: بالمقارنة مع حزم المخطط التفصيلي الصغير العادي (SO) ، يكون حجم الحزمة أصغر ، وسمكًا أرق ، وحجمه أصغر ، مما يجعله مناسبًا لتعبئة الدوائر المتكاملة عالية الكثافة.
• الأداء العالي: إنها تتبنى تقنية الجبل السطحي ، ولديها موصلية جيدة ومقاومة للتآكل ، ويمكن أن تلبي متطلبات خاصة مثل السرعة العالية والتردد العالي والتصغير وما إلى ذلك.
ما لم ينص على خلاف ذلك ، تتم إحالة جميع الفولتية إلى VSS.
يتم ضمان الحد الأدنى والحد الأقصى للقيم في ظل الظروف الأكثر سلبية ، مما يشمل درجة الحرارة المحيطة ، وجهد العرض ، والترددات.يتم إنشاء هذه الضمانات من خلال اختبارات الإنتاج الصارمة التي أجريت على 100 ٪ من الأجهزة ، التي أجريت في درجة حرارة المحيطة من TA = 25 درجة مئوية و TA = TAMAX (كما هو محدد في نطاق درجة الحرارة المختار).
تم تحديد القيم القائمة على نتائج التوصيف ، ومحاكاة التصميم ، و/أو الخصائص التكنولوجية في حواشي الجدول ولم تخضع للاختبار الإنتاج.فيما يتعلق بالتوصيف ، يتعلق الحد الأدنى والحد الأقصى للقيم بتقييم عينة والدلالة على القيمة المتوسطة مع نطاق زائد أو ناقص ثلاث مرات الانحراف المعياري (يعني ± 3σ).
ما لم ينص بشكل صريح على خلاف ذلك ، يتم إنشاء البيانات القياسية مع TA = 25 درجة مئوية ، VDD = 5 V. يتم توفير هذه القيم فقط كمراجع تصميم ولا تخضع للاختبار.
يتم إنشاء الدقة النموذجية لقيم ADC من خلال توصيف مجموعة من العينات من مجموعة انتشار قياسية عبر نطاق درجة الحرارة الكامل.في هذا السياق ، تظهر 95 ٪ من الأجهزة خطأ في القيمة المحددة (يعني ± 2σ).
ما لم يتم الإشارة على وجه التحديد ، فإن جميع الرسوم البيانية القياسية تهدف فقط إلى مراجع التصميم ولم تخضع للاختبار.
يمكن أن يؤدي تجاوز الحد الأقصى المطلق المحدد إلى تلف دائم للجهاز.تشير هذه التصنيفات فقط إلى حدود الإجهاد التي يمكن أن يتحملها الجهاز ، وليس ضمنيًا أن الجهاز سيعمل بشكل صحيح في ظل هذه الظروف.يمكن أن يؤثر التعرض للظروف في أو بالقرب من الحد الأقصى للتقييمات سلبًا على موثوقية الجهاز.
يلتزم ملف تعريف Mission الخاص بالجهاز ، والذي يوضح شروط التطبيق الخاصة به ، بمعايير التأهيل JEDEC JESD47 ، مع توفر ملفات تعريف مهمة ممتدة عند الطلب.
لتحقيق الاستقرار للمنظم الأساسي ، يجب توصيل المكثف الخارجي المسمى Cext إلى دبوس VCAP.من الضروري التأكد من أن الحث المسلسل يظل أقل من 15 NH.
يتم قياس الاستهلاك الحالي كما هو موضح في الصورة التالية.

إجمالي توريد الاستهلاك الحالي في وضع التشغيل
يتم وضع MCU في ظل الشروط التالية:
• يتم تعطيل جميع الأجهزة الطرفية (تتوقف الساعة عن طريق سجلات بوابة الساعة الطرفية) إلا إذا تم ذكرها صراحة.
• جميع دبابيس الإدخال/الإخراج في وضع الإدخال مع قيمة ثابتة في VDD أو VSS (بدون تحميل)
تخضع لظروف التشغيل العامة لـ VDD و TA.

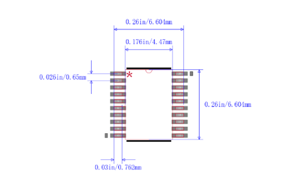
يحتوي STM8S103F3P6 على 20 دبابيس ، وأسماء الدبوس ووظائفها هي كما يلي:
PIN1 (PD4/ BEEP/ TIM2_ CH1/ UART1 _CK): المنفذ D4
PIN2 (PD5/ AIN5/ UART1 _TX): المنفذ D5
PIN3 (PD6/ AIN6/ UART1 _RX): المنفذ D6
PIN4 (NRST): إعادة تعيين
PIN5 (PA1/OSCIN): المنفذ A1
PIN6 (PA2/OSCOUT): المنفذ A2
PIN7 (VSS): أرض رقمية
PIN8 (VCAP): 1.8 فولت مكثف منظم
PIN9 (VDD): مزود الطاقة الرقمية
PIN10 (PA3/ TIM2_ CH3 [SPI_ NSS]): المنفذ A3
PIN11 (PB5/ I2C_ SDA [TIM1_ BKIN]): المنفذ B5
PIN12 (PB4/ I2C_ SCL): المنفذ B4
PIN13 (PC3/ TIM1_CH3 [TLI] [TIM1_ CH1N]): المنفذ C3
PIN14 (PC4/ CLK_CCO/ TIM1_ CH4/ AIN2/ [TIM1_ CH2N]): المنفذ C4
PIN15 (PC5/ SPI_SCK [TIM2_ CH1]): المنفذ C5
PIN16 (PC6/ SPI_MOSI [TIM1_ CH1]): المنفذ C6
PIN17 (PC7/ SPI_MISO [TIM1_ CH2]): المنفذ C7
PIN18 (PD1/ SWIM): Port D1
PIN19 (PD2/ AIN3/ [TIM2_ CH3]): المنفذ D2
PIN20 (PD3/ AIN4/ TIM2_ CH2/ ADC_ ETR): المنفذ D3
كما هو موضح في الشكل أعلاه ، تحتوي شريحة STM8S103F3P6 على ما يصل إلى 16 دبابيس I/O ، والتي يمكن استخدامها لأغراض متنوعة ، مثل GPIO ، واجهات المحيط ، و ADC ، إلخ.يستخدم كدبابيس إدخال لقراءة الإشارات الخارجية أو كدامنات الإخراج لإرسال إشارات إلى الأجهزة الخارجية.بالإضافة إلى ذلك ، يمكن تعيين كل دبوس I/O بشكل مستقل متجه المقاطعة لتسهيل المعالجة الدقيقة للمقاطعات عند حدوثها.
• أنظمة الأتمتة: يمكن استخدام هذا متحكم في أنظمة الأتمتة مثل الستائر الكهربائية وأنظمة التحكم في الوصول والتحكم في درجة الحرارة والتحكم في الإضاءة.
• تطبيق إنترنت الأشياء (إنترنت الأشياء): إذا كنا بحاجة إلى تطوير أجهزة إنترنت الأشياء ، فيمكن استخدامه كوحدة تحكم لعقد إنترنت الأشياء لتوصيل أجهزة الاستشعار ووحدات الاتصال المختلفة والتحكم فيها.
• الأجهزة الإلكترونية الشخصية: تستخدم في الكاميرات الرقمية ، مشغلات MP3 و MP4 ، وحدات التحكم في اللعبة الإلكترونية ، إلخ.
• المعدات الإلكترونية: تستخدم لتطوير مختلف المعدات الإلكترونية
، مثل الألعاب الإلكترونية ، الضوابط عن بُعد ، الآلات الحاسبة الصغيرة ، إلخ.
• المجال الصناعي: يستخدم في PLC ، وحدات التحكم الصناعية ، وأتمتة العمليات وشحن معدات التحكم التلقائية ، إلخ.
• اكتساب البيانات وواجهة المستشعر: تستخدم لمراقبة الظروف البيئية وجمع البيانات أو لتوصيل أجهزة استشعار مختلفة مثل أجهزة استشعار الضوء وأجهزة استشعار درجة الحرارة وأجهزة استشعار الرطوبة.
• نظام التحكم المدمج: يستخدم لتصميم أنظمة التحكم المدمجة المختلفة ، مثل الأجهزة المنزلية ، والمعدات الصناعية ، وأدوات الطاقة ، إلخ.
STM8S103F3P6 هي رقاقة متحكم تم تطويرها بواسطة Ettmicroelectronics.إنه ينتمي إلى عائلة STM8 المكونة من 8 بت متحكم ويستخدم على نطاق واسع في مختلف الأنظمة المضمنة وتطبيقات إنترنت الأشياء.
تحتوي وحدة MicroController Microcontroller STM8S103F3P6 على 640 بت ROM و 10 بتنيل ADC و 1 كيلو بايت وذاكرة وصول عشوائي بحجم 8 كيلو بايت.
يمكننا استبدال STM8S103F3P6 بـ MSP430G2353 ، PIC16LF18444T ، STM8S103F3P3 ، STM8S103F3P3TR أو STM8S103F3P6TR.
نعم ، تم تصميم STM8S103F3P6 بميزات منخفضة الطاقة ويمكن استخدامها في التطبيقات التي تعمل بالطاقة البطارية أو منخفضة الطاقة حيث تكون كفاءة الطاقة ضرورية.
تتضمن بعض الميزات الرئيسية للاتصالات STM8S103F3P6 دبابيس GPIO (الإدخال/الإخراج العام) ، والاتصالات UART (مستقبل/جهاز إرسال غير متزامن عالمي) ، اتصال I2C (الدائرة المتداخلة) ، الاتصالات SPI (الواجهة الطرفية المسلسل) ، التوقيت ، وأكثر.
معلومات عنا
رضا العملاء في كل مرة.الثقة المتبادلة والمصالح المشتركة.
المواصفات الفنية لخلية العملة الليثيوم CR2354
2024-08-02
دليل شامل لمكافئ Atmega328-PU
2024-08-02
البريد الإلكتروني: Info@ariat-tech.comهونج كونج تل: +852 30501966ADD: RM 2703 27F Ho King Comm Center 2-16،
Fa Yuen St MongKok Kowloon ، هونج كونج.